前面文章有过介绍,这是一款09年的别克昂科雷,我很荣幸成为第十任车主,驾驶大昂三年来,有了更细致的了解(当然是业余的),随车插上OBD观察水温等,手机APP上88度左右时,仪表盘水温指针就已经指向100度了,到103度低温风扇启动,指针依然是100度。青海西宁的海拔高度是2260米,沸点是92.8度,低温风扇启动前早已开锅,虽然前几个月,改装了副水壶,解决了总是缺防冻液的问题,但在高海拔地区,总是开锅状态下行驶,还是有弊病。海拔每升高300米,沸点降低1度,出了西宁市翻山越岭海拔基本都在3800米,意味着沸点只有88度左右。所以决定改装温控系统。
另外,还有一个不成熟的想法,就是降低温度后,应该可以降低机油温度,进而减少油气的产生,至于活塞环或者气门油封漏过来的废气应该也会少一点点,油温低了嘛,机油粘度就高了,密封性是不是就好点了。油气和废气少了,是不是喷油嘴积碳也少点了?后期观察再说吧。

改装温控系统的原则
查阅昂科雷相关资料和可参考的改装方案,都没有可借鉴的,包括某宝,别克系列都是新世纪、老君威、老GL8、老陆尊等成套改装线束,就是没有昂科雷的,那就自己改吧。改装原则:
1、不破坏原车温控系统,依然保持103度低温风扇启动,109度高温风扇启动。
2、不破坏原车空调系统。
3、力求简洁,自动切换。
1、不破坏原车温控系统,依然保持103度低温风扇启动,109度高温风扇启动。
2、不破坏原车空调系统。
3、力求简洁,自动切换。

水箱高温控制器 适合车型:别克老君威/老GL8/陆尊/君越
测试方案和结果
在某宝上找到了通用的改装方案和配件。



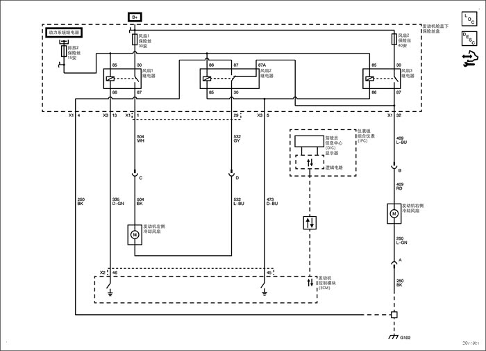
这是一个独立温控系统,怎么和原车冷却系统衔接呢,于是我又找到原车温控系统的电路图。

原车温控系统的电路图
一步一步来,首先选择90-95度的温控开关和其他配件,先改装右边的一个风扇,让右边的一个风扇运行,看看结果能不能达到改装原则的要求。

加装的两个防水车用继电器,懂行的肯定能明白。


三通水管安装在水箱上水管

固定继电器

已经装好的温控开关
改装完毕后,从西宁出发到贵南,到青海湖北岸的刚察,再到祁连县返回西宁,全程1200公里,用时5天,基本都在3000米以上海拔行驶,翻了几座大山海拔接近4000米。测试结果:
1、功能正常,不影响原车系统和空调系统。
2、一个风扇,大多数情况温度控制在93-97度之间。虽然一启动就是高速,在3800米左右的高海拔山区,来不及冷却,甚至有一次超过103度自动切换原车冷却系统工作。
3、机油观察情况,改装前,跑一圈青甘大环线2400公里,需要补1升机油,这次1200公里只补了0.3升机油,说明降低温度,可以减少油气。
1、功能正常,不影响原车系统和空调系统。
2、一个风扇,大多数情况温度控制在93-97度之间。虽然一启动就是高速,在3800米左右的高海拔山区,来不及冷却,甚至有一次超过103度自动切换原车冷却系统工作。
3、机油观察情况,改装前,跑一圈青甘大环线2400公里,需要补1升机油,这次1200公里只补了0.3升机油,说明降低温度,可以减少油气。
信心满满,继续完善
根据上一阶段的测试结果看,基本满足了原则,只是一个风扇工作,来不及冷却,所以,第二方案1、改装另一个风扇,让左右风扇同步运行;2、重新选择温控开关85-90度的。因为上水管测得的温度比发动机水温低3度左右。

为了防止接错线和确认方案可行性,在地下模拟演示水温改装。

接头最后都要包好

一定要测试好打铁。

一共用了四个继电器,左一:温控继电器;左二:右风扇继电器;右边两个控制左风扇(2P中间继电器不防水,所以改用两个防水的车用继电器)

这是换下来的90-95度的温控开关

这是已经安装好的85-90度的温控开关

OBD测温:89度风扇启动运行

OBD测温:最高94度,之后开始下降。准备就绪,计划再次测试。好了,已经改装好两天了,马上十一长假了,再跑一圈环游柴达木,看看90度左右,机油能缺多少!
【内容来源于汽车之家论坛】