故障现象:2021款新车行驶一百多公里,客户反映车辆行驶一天后出现自动启停系统指示灯闪烁,电子助力转向系统指示灯常亮,打方向变重。
可能原因分析:加装件引起线路故障
可能原因分析:加装件引起线路故障
1.线路短路或断路
2.保险丝烧毁
3. 保险丝/继电器盒故障
4.控制单元故障。
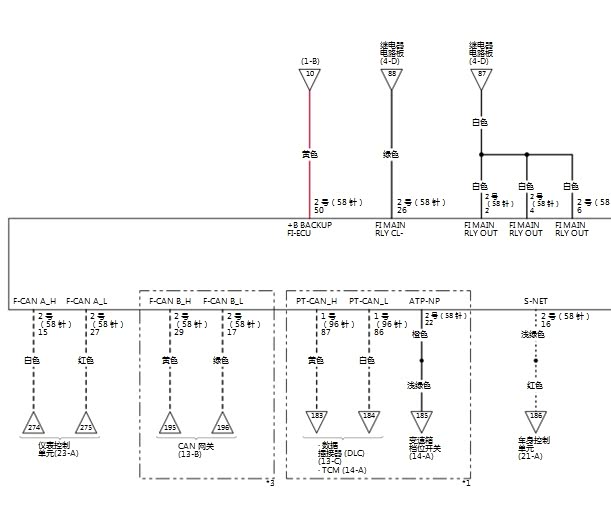
1、 用诊断仪检查故障码为U0101 F-CAN故障(PCM-TCM),U0038 PT-CAN故障(TCM ECU总线关闭)/EPP-CAN故障(总线关闭(PCM)),U0131 F-CAN故障(ECM/PCM--EPS)图(1),图(2),图(3)



2、 无法清除DTC,拆除加装在仪表板下保险丝/继电器盒D17号保险丝加装线与电子产品转接在原车的数据插接器有接触不良,车辆出现仪表D档灯闪烁,VSA故障灯点亮,车辆无法启动。图(4),图(5)


3、 在查看电路图D17号保险丝,为TCM电源保险丝,无意中在按压D17号保险丝时D档灯不闪烁,车辆能启动。图(6),图(7),图(8)



检查保险丝发现保险丝插脚严重变形接触不良,判断为抬头显示线束直接接在D17号保险丝上安装不合理造成的损坏。
处理仪表板下保险丝/继电器盒D17号保险丝插脚后,清除故障码,自动启停系统指示灯不再闪烁,D档指示灯也正常。
电子助力转向系统指示灯依据常亮,DTC还是无法清除,替换电子助力转向系统控制单元总成,故障排除。
确定故障原因及维修效果:处理仪表板下保险丝/继电器盒D17号保险丝插脚,处理电子产品转接在原车的数据插接器,更换电子助力转向系统控制单元总成,故障排除。
确定故障原因及维修效果:处理仪表板下保险丝/继电器盒D17号保险丝插脚,处理电子产品转接在原车的数据插接器,更换电子助力转向系统控制单元总成,故障排除。
案例总结 如上述案例判断为加装电子产品,接线不规范,电子产品转接在原车的数据插接器接触不良,造成的电子助力转向系统控制单元损坏。