刚入手的时候觉得没有也无所谓,但看很多车友都改了,心里其实很想要。前几天刚好看到另一位车友发帖改了,问了价格,改装很简单,原车就带巡航功能,只需要加个开关加条线就解决了,不需要编程。网上找了一个,确实有,LZC开关+线束。询问与车型匹配,思量许久还是下单了。

买回来果真很简单,一个开关,一个插头,一根线,三个螺丝。

询问安装过程,店家给发了一个汽车之家的安装贴,之前就看了好几遍了,但还有好些不太明白,现在也没搞明白。店家不建议自己搞,说找修车师傅一般100块钱就可以搞定,一方面没工具,二没时间,三考虑风险比较大还是去找熟悉的修车师傅帮忙搞。最后证明是对的,自己搞得搞砸了。

安装步骤:1、拆安全气囊,用一字螺丝刀挑开四个卡扣,需要先电瓶断电,帖子也是这么写的,安装师傅说“我拆气囊从来不断电”,结果拆一半悲催了,喇叭长响了一分钟左右都没拆下来。后来还是把电瓶断电了。

下雨撑伞作业。
2、拔掉上面的插头。

拔插头

准备拆方向盘
3、拆方向盘,拆后盖,安装开关。不太好拆,很紧,容易拉到游丝,没拍照。开关安装螺丝孔没有攻丝,给配的自攻螺丝,不太好安装。
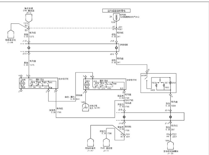
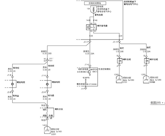
4、开关接线。开关三根线只用两根,减断方向盘搭铁线,一根串接到方向盘搭铁上,一根并接到另一根线上。原来店家说只需要接两根线,我是不理解的,明明开关上有三根线,为什么只接两根,后来在另一个论坛找了08款陆尊维修手册,找到了接线图才放心。研究了很多遍接线图,现在也没搞太清楚原理。大体上,巡航开关需要电源,从喇叭接电,信号线需要借喇叭的一根线,穿过方向盘游丝,再接到电脑上。喇叭的控制电路正常应该是供电状态,按下喇叭键,回路断电,喇叭继电器工作,喇叭响起。所以装好以后功能正常,巡航状态按喇叭会取消巡航。懂的可以给我讲讲。

巡航开关接线图

喇叭接线图

开关接线详图

盗张图,接起来就是这个样
5、接信号线至行车电脑。在转向柱下面找到一个从方向盘下来的黑线组,剪断其中一根黑白线,信号线接到剪断的上段,穿过发动机隔板,需要拆掉冷却液水壶,进气盖,拿出行车电脑,拔下接头,接到行程电脑29号接头,装回去就OK了。

信号线接这根

接好穿到发动机舱,不太好穿,搞了好久

配的线不够长,师傅给接了一根

接好线捆好
6、试车。40㎞以上才能设置巡航,功能正常,可以巡航,加速,减速,滑行。唯一一个缺点,巡航状态按喇叭会取消巡航。

看到巡航指示灯第一次亮起,非常激动。
总结一下:喜欢折腾的,搞一下还是很值得的,会修车的朋友几十块钱买个开关就可以搞定。不会汽修的不建议自己搞,虽然教程很清楚,但操作并不简单。第一得动手能力非常强。第二得工具全,要用到套筒,梅花内六角,螺丝刀等工具。第三得有时间折腾,我找修车师傅也搞了两个小时。第四拆装过程有风险,特别是拆装方向盘,游丝拉报废了损失就大了。
【内容来源于汽车之家论坛】